logo
Good price  online

products details

Home > Products >
Magnetic Connectors
>
6 Pin Magnetic Connectors 5A Right Angle Pogo Pin Connector For Handheld Device

6 Pin Magnetic Connectors 5A Right Angle Pogo Pin Connector For Handheld Device

Brand Name: UPE
Model Number: VIC1202A /VIC1202B
MOQ: 5000
Price: $1-$5
Packaging Details: PE bags
Payment Terms: T/T
Detail Information
Place of Origin:
China
Certification:
ISO9002
Document:
Name:
Magnetic Connectors
Material:
THN, Brass, SUS304, NdFeB N52
Spring Force:
80g±20g
Working Storke:
1.0mm
Current:
5.0A
Volatge:
12V
Magnetic Force:
600g
Mechanical Life:
50000 Cycle Min.
Contact Resistance:
50mΩ Max (PIN)
Salt Spray Test:
48H
Supply Ability:
5KPCS/Day
Highlight:

6 Pin Magnetic Connectors

,

Magnetic Connectors 5A

,

5A Right Angle Pogo Pin Connector

Product Description

5A 6pin male and female right angle magnetic connectors for handheld device, the female pin is concave surface.

*Gold-Plated, HTN Housing, NdFeB Magnet, 12V/5A, UL94 V-0*

 

1. Key Features

Right-angle design: Saves space for PCB mounting in compact devices.

6-pin configuration: Supports power (12V/5A) + data signals.

Strong magnetic coupling: ≥600G holding force (NdFeB magnet).

High durability: 50,000+ mating cycles, UL94 V-0 flame-retardant.

Anti-short-circuit design with clear polarity marking.

 
2. Materials & Construction

 

Component

Specification

Contacts

6 pins (male/female), brass base with gold plating (≤50mΩ resistance).

Housing

HTN + 30% filler, UL94 V-0 black (high-temperature resistant).

Magnet

NdFeB (neodymium) with optional epoxy coating (passes 48hr salt spray test).

 

3. Mechanical & Electrical Properties

Parameter

Value

Spring Force (per pin)

80g ± 20g @ 1.0mm deflection.

Magnetic Force

≥600G (male-female adhesion).

Rated Voltage

12V DC.

Current Rating

3A continuous / 4A peak.

Contact Resistance

≤50mΩ per pin.

Operating Temperature

-30°C to +85°C.

 

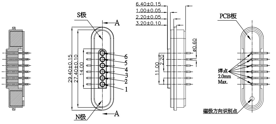
5Pin Male  Connector Technical Drawing (Key Dimensions):

 

6 Pin Magnetic Connectors 5A Right Angle Pogo Pin Connector For Handheld Device 0

 

5Pin Female Magnetic Connector Technical Drawing (Key Dimensions):

6 Pin Magnetic Connectors 5A Right Angle Pogo Pin Connector For Handheld Device 1

Why Choose UPE:

. Fast prototyping: 3-5 days for samples

. Cost-effective: Competitive MOQ pricing

. Quality assurance: 100% automated testing

. High-tech production with precision engineering

. Systematic quality control for consistent performance

 

Advantages of Magnetic Connector:

 

1)Automatic adsorption connected experience; Easy operation;

 

2)Uses a magnetic interface to remove the device easier. 

 

3)High life cycle. It supports 50,000-300,000 reattachment life times;

 

4)It is easy to customized waterproof design, the female can achieve dust-proof and waterproof (IP68);

  

5)Support a high current (3A-20A), faster recharge;

 

6)Excellent corrosion rating (48H-120H) meet the harsh environments;

 

8)Shape customized to meet with product shape matching, improve product selling point;

 

9)Magnet positioning, use of magnets and structure to dual circuit protection reach distinguish 

 

the direction( It is user-oriented and user-friendly)

 

10)Excellent scalability interface,Can be achieved(Power Signal Video Audio Jack Etc);

 

11)Development time is short, low-cost mold for customization;

 

12)Provide a reliable high RF signal transmission. Our connector is USB 2.0 

 

Magnetic connectors application:

6 Pin Magnetic Connectors 5A Right Angle Pogo Pin Connector For Handheld Device 2

 

How to place the order
* You send us drawing or sample

* Our professional engineering team conducts the assessment

* You confrim the drawing and we make the sample to send you

* You test the sample and approved,then place an order and pay 50% deposit 

* We start to make the product

* When the goods is done, we take photoes for your check and you then pay the balance

* We deliver the products to you with DHL, TNT,UPS,Fedex

 

Payment Term: T/T,50% Deposit,50% Balance 

Payment method: T/T,PayPal,OCBC

Sample Lead Time: Inventory sample 2-3Working day/customized sample 5-7Working day

Production Lead Time:10-15Working day

Made For: America,Europe,Asia,South African

Trade Term: EXW

Freight: Air,Sea,Express

Service: High quality with reasonable price, OEM service, any special size, color, designs are acceptable

 

Any question, please send to union@upetech.net